honda305.com Forum

Vintage Honda Owners, Restorers, Riders and Admirers

Latest Registry Entry
1965 Honda CP77 — Ulsan Metro City, Rep. Korea
Restored with original parts — Owner: J. Doe

CB77 turn signals

Charging System, Wiring, Lighting
philrock
honda305.com Member
Posts: 60
Joined: Sun Nov 23, 2014 1:25 pm
Location: San Luis Obispo, CA

Post by philrock » Mon May 30, 2016 3:31 pm

I spoke too soon about everything working o.k.

O.k. with ignition switch in normal running position, but in taillight position, headlight comes on instead of taillight. I think the diagram is right, buy I mis-wired something. It'll be a while before I get it sorted out - I'm recovering from back surgery last Friday.

Seadog, here's a link to a turn signal switch from K & S: http://www.ebay.com/itm/K-S-TECHNOLOGIE ... eR&vxp=mtr
I was right about the price being a lot higher than I paid for the other one. The wires on the one I got were just barely long enough. It looks like if you want to keep the wiring inside the handlebar, the wiring on the K & S unit would require some re-work.

User avatar
Seadog
honda305.com Member
Posts: 1273
Joined: Thu Dec 25, 2014 9:54 am
Location: Cape Cod, MA

Post by Seadog » Mon May 30, 2016 4:06 pm

Sorry to hear of your back surgery. I hope you recover quickly. I had some of that myself, about 4 years ago. No fun.

You'll figure out the wiring snafu. Give it a break for now and concentrate on feeling better. And, if you're on pain meds, wait for a clearer head.

Thanks for the link to the switch.

philrock
honda305.com Member
Posts: 60
Joined: Sun Nov 23, 2014 1:25 pm
Location: San Luis Obispo, CA

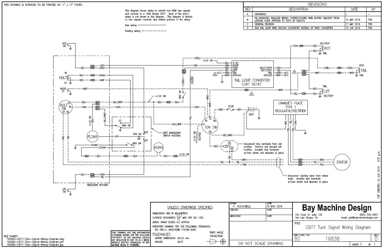
Post by philrock » Sun Jun 19, 2016 6:59 pm

The next time I tried the lights they behaved differently - got no lights at all with ignition switch in the tail light position. I have no idea why the behavior changed.

Anyway, I decided to tackle the only symptom that was showing. I quickly realized that when the ignition switch is in the tail light position, the converter module is not getting any power to its supply line. I fixed this by bypassing the converter completely for the tail light wiring. Works like a charm. Tail lights come on (as they should) when ignition switch is in running position and headlight switch is on.

Update schematic attached.
Attachments
1683BD-CB77-Turn-Signal-Wiring-Diagram.jpg
1683BD-CB77-Turn-Signal-Wiring-Diagram.jpg (155.46 KiB) Viewed 3843 times

dragonfly888
honda305.com Member
Posts: 52
Joined: Fri Jul 16, 2010 8:35 am
Location: Burlington, Ontario, Canada

Post by dragonfly888 » Wed Sep 18, 2019 11:24 am

Wondering if anyone has the Photos from this post. They don't seem to be available at the moment. Thanks!
_________________
1966 CP77 305 Super Hawk
Burlington, Ontario Canada

Post Reply