honda305.com Forum

Vintage Honda Owners, Restorers, Riders and Admirers

Latest Registry Entry
1965 Honda CP77 — Ulsan Metro City, Rep. Korea
Restored with original parts — Owner: J. Doe

The clutch center

Clutch, Transmission, Drive Chain, Sprockets
Dick Eastman
honda305.com Member
Posts: 273
Joined: Tue Aug 02, 2011 8:27 pm
Location: Troy Ohio

Post by Dick Eastman » Wed Oct 14, 2015 4:50 pm

I finally got everything buttoned up [a new roof has kept me away from the garage], and am well pleased with the way it shifts, and finding neutral vastly improved. I still need to address wear in the shift lever pivot bore by boring it out and bushing it. I think a slightly stiffer detent arm spring would also be an improvement, as I think mine is perhaps a little weak from age, or Honda could have used just slightly more tension in their design, if mine is to specs. I'll check that when I get into the engine this winter.
If I can scan a copy of my inverted plate drawing, I will post it. My scanner is a Kodak ESP 9250, and I've really never had call to use it, until now.
I used Shell Rotella Triple Guard 15W-40, that I had on hand for the oil fill, but I'll get some miles on it and change over to Amsoil, as I did in my '01 Kawasaki ZRX1200R. Amsoil made a noticeable difference in the way that bike shifted when I switched to it then, and I'll see how it does in my Super Hawk.

Dick Eastman
honda305.com Member
Posts: 273
Joined: Tue Aug 02, 2011 8:27 pm
Location: Troy Ohio

Post by Dick Eastman » Thu Oct 15, 2015 5:05 pm

I was able to scan dwg, but when I try to attach, is very large [twice screen size]. Also, numerous "warnings". The first scan was PDF, not accepted here, then I did a JPEG file, but cannot reduce to fit screen.

Dick Eastman
honda305.com Member
Posts: 273
Joined: Tue Aug 02, 2011 8:27 pm
Location: Troy Ohio

Post by Dick Eastman » Fri Oct 16, 2015 6:36 am

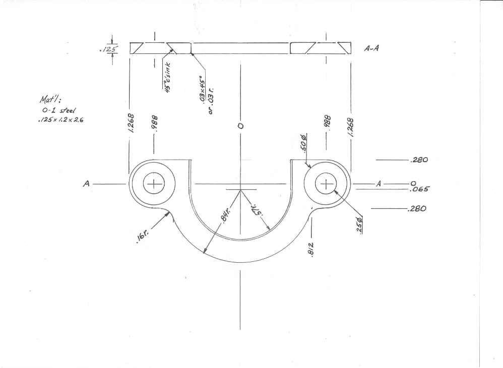
Honda 305 fixing plate dwg. Allows plate to be installed open side upward, without removing engine/splitting cases. 1/8"mild steel can also be used, but 0-1 is already ground flat, and better mat'l.
Attachments
Honda 305 fixing plate.jpg
Honda 305 fixing plate.jpg (20.86 KiB) Viewed 2996 times

User avatar
G-Man
honda305.com Member
Posts: 5680
Joined: Wed Mar 25, 2009 5:17 pm
Location: Derby, UK
Contact:

Post by G-Man » Fri Oct 16, 2015 7:08 am

Dick

Nice job and thanks for sharing. I might just go amd make a couple for those 'forgettful moments" we all have from time to time... :-)

G

Dick Eastman wrote:Honda 305 fixing plate dwg. Allows plate to be installed open side upward, without removing engine/splitting cases. 1/8"mild steel can also be used, but 0-1 is already ground flat, and better mat'l.
'60 C77 '60 C72 '62 C72 Dream '63 CL72
'61 CB72 '64 CB77 '65 CB160
'66 Matchless 350 '67 CL77
'67 S90 '77 CB400F

Dick Eastman
honda305.com Member
Posts: 273
Joined: Tue Aug 02, 2011 8:27 pm
Location: Troy Ohio

Post by Dick Eastman » Fri Oct 16, 2015 7:42 am

Ahh, those forgetful moments - I think they're related to Murphy's Law!
Everything working good so far- 1st to neutral or 2nd to neutral working well.
If you make one of these, just make sure the plate remains flat. With the drum groove at .129", and the plate at .125", there is not much room for error. I gage-blocked my drum groove, and it may have had some wear, although it did not appear so. The plate can always be surface ground down less than .125, if need be. Also, the .03 ch or rad is important, as the drum groove diameter is 28mm [1.102"], with a small radius in the corners. The plate dims. clear this by .020"/side.
.

sdaigle240
honda305.com Member
Posts: 161
Joined: Sat Apr 18, 2009 7:38 pm
Location: Southbury Ct

Post by sdaigle240 » Fri Oct 16, 2015 11:18 am

boy i wish i could have bought one of these off you 3 weeks ago! well done.
Steve
CA78 65?
CB77 65?

Post Reply